| 俄罗斯轻武器 | AK的结构和原理 |
|
|
|

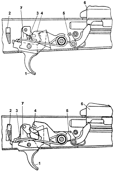
AK的快慢机位于枪的右侧。当快慢机装处于全自动位置时,单发阻铁的后突出部被快慢机下突出部压住,不能转动,故扣不住击锤。此时,击发阻铁扣住击锤而成待击状态。扣压扳机后,阻铁解脱击锤,击锤回转击发。此后,只要扣住扳机不放,击发阻铁和单发阻铁都扣不住击锤,只有不到位保险阻铁卡笋能抵住击锤卡槽。当机框复进到位压下不到位保险阻铁传动杆时,卡笋即脱离击锤卡槽,击锤回转击发。以后则重复上述动作,实现连发射击。
当快慢机装位于半自动位置时,射击第一发弹时,阻铁扣住击锤形成待击状态。扣压扳机后,阻铁解脱击锤,单发阻铁也一起向前回转。如果扣住扳机不放,则击发后的击锤在被机框压倒的同时会被单发阻铁扣住。此时,由于枪机框没有复进到位,不到位保险阻铁传动杆向上抬起,卡笋和击锤卡槽之间有一些间隙。当枪机框复进到位,再次解脱不到位保险阻铁时,击锤被单发阻铁扣住,如果要再次发射,必须先松开扳机,使单发阻铁解脱击锤,击锤随之被击发阻铁扣住再次形成待击状态。
如果机框复进不到位,枪机没有完全闭锁。此时机框的解脱突笋没有压下不到位保险,因此保险阻铁卡笋不能脱离击锤卡槽。此时即使扣压扳机,击锤仍不能向前回转,因此便形成不到位保险状态。快慢机柄在保险位置(最上方位置)时,其下方的突出部顶住单发阻铁后的突出部和扳机后端突出部的右侧,因此不能扣动扳机。如果此时击锤在待击位置,弹膛内有枪弹,由于扣不动扳机,击锤不能解脱,所以形成后方保险状态。如果此时击锤在击发位置,因扣不动扳机,阻铁不能向前回转,击锤后倒时即会被阻铁挡住,机框只能后坐一很短的距离,不能将弹匣内的枪弹推进弹膛,因而形成前方保险状态。
AK47的击发机构:①快慢机;②单发阻铁;③连发阻铁(与扳机同一零件);④击锤;⑤不闭锁保险;⑥机框


AKM的减速器


AK的导气系统

快慢机处于单发状态

快慢机处于保险状态

AK枪机组:①机框;②机框上的开锁工作面;③闭锁工作面;④枪机

AK的枪机:①进弹凸笋;②弹底窝;③击针;④抽壳钩;⑤开锁工作面;⑥闭锁工作面;⑦左闭锁凸笋;⑧左闭锁支撑面

AKM的击发机构:①扳机/击发阻铁 ②保险/快慢机 ③单发阻铁 ④击锺 ⑤不到位保险 ⑥枪机框 ⑦击锤延迟体

| 对比下面两张图可以看出AK-47第1型与第3型机匣的区别,感谢中华温柔扫描的图 | |
![]() |
![]() |
| 冲压机匣的AK-47第1型 | 铣削/锻压机匣的AK-47第3型 |

参考M1伽兰德的枪机,从AK-46到AK-47第1型的抛壳挺都是在枪机上的,在AK-47第2型开始才才移到了机匣上

左边是后期型的AK-74枪口制退器,右边是早期型的AK-74枪口制退器

各种AK的枪口装置,从左至右:(1)俄罗斯AKS-74U枪口消焰器;(2)罗马尼亚AK-74枪口制退器;(3)前东德MPiAK-74N枪口制退器;(4)保加利亚AK-74枪口制退器(与俄罗斯后期的AK-74M/AK-100相似);(5)俄罗斯AK-74枪口制退器;(6)波兰KbK wz.88枪口制退/枪榴弹发射器。
|
资料来源: |
2010-10-02 |